您好,歡迎光臨帝國科技!
產品分類
PRODUCT
PRODUCT
- 國產晶振
- 聲表面濾波器
- 石英晶體
- 石英晶振
- 貼片晶振
- 陶瓷晶振
- 陶瓷濾波器
- 陶瓷霧化片
- 進口晶振
- MERCURY晶振
- Fujicom晶振
- 日本大真空晶振
- 愛普生晶振
- 西鐵城晶振
- 精工晶振
- 村田陶瓷晶振
- 日本京瓷晶振
- 日本進口NDK晶體
- 大河晶振
- TXC晶振
- 亞陶晶振
- 臺灣泰藝晶體
- 臺灣鴻星晶體
- 美國CTS晶體
- 微孔霧化片
- 加高晶振
- 希華石英晶振
- AKER晶振
- NAKA晶振
- SMI晶振
- NJR晶振
- NKG晶振
- Sunny晶振
- 歐美晶振
- Abracon晶振
- ECS晶振
- Golledge晶振
- IDT晶振
- Jauch晶振
- Pletronics晶振
- Raltron晶振
- SiTime晶振
- Statek晶振
- Greenray晶振
- 康納溫菲爾德晶振
- Ecliptek晶振
- Rakon晶振
- Vectron晶振
- 微晶晶振
- AEK晶振
- AEL晶振
- Cardinal晶振
- Crystek晶振
- Euroquartz晶振
- FOX晶振
- Frequency晶振
- GEYER晶振
- KVG晶振
- ILSI晶振
- MMDCOMP晶振
- MtronPTI晶振
- QANTEK晶振
- QuartzCom晶振
- Quarztechnik晶振
- Suntsu晶振
- Transko晶振
- Wi2Wi晶振
- ACT晶振
- MTI晶振
- Lihom晶振
- Rubyquartz晶振
- Oscilent晶振
- SHINSUNG晶振
- ITTI晶振
- PDI晶振
- ARGO晶振
- IQD晶振
- Microchip晶振
- Silicon晶振
- Fortiming晶振
- CORE晶振
- NIPPON晶振
- NICKC晶振
- QVS晶振
- Bomar晶振
- Bliley晶振
- GED晶振
- FILTRONETICS晶振
- STD晶振
- Q-Tech晶振
- Anderson晶振
- Wenzel晶振
- NEL晶振
- EM晶振
- PETERMANN晶振
- FCD-Tech晶振
- HEC晶振
- FMI晶振
- Macrobizes晶振
- AXTAL晶振
帝國博客
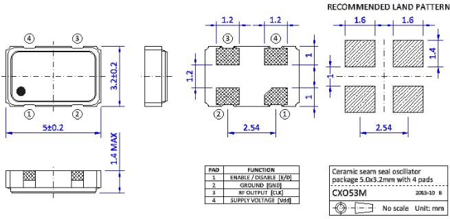
更多>>- 規格型號:40298947
- 頻率:1~160MHZ
- 尺寸:5.0*3.2mm
- 產品描述:NJR晶振,SCO5晶振,SCO56B-26.0000MTS-EXT晶振,5032mm體積的石英晶體振蕩器,有源晶振,該產品可驅動2.5V的溫補晶振,壓控晶振,VC-TCXO晶體振蕩器產品,電源電壓的低電耗型,編帶包裝方式,可對應自動高速貼片機自動焊接,及I...
NJR晶振,SCO5晶振,SCO56B-26.0000MTS-EXT晶振
.jpg)
NJR晶振,SCO5晶振,SCO56B-26.0000MTS-EXT晶振,5032mm體積的石英晶體振蕩器,有源晶振,該產品可驅動2.5V的溫補晶振,壓控晶振,VC-TCXO晶體振蕩器產品,電源電壓的低電耗型,編帶包裝方式,可對應自動高速貼片機自動焊接,及IR回流焊接(無鉛對應),為無鉛產品,超小型,質地輕.產品被廣泛應用到集成電路,程控交換系統,無線發射基站.
NJR晶振歷經50多年的發展,已成為一家老牌半導體芯片的生產廠商,在集成電路電子產品領域享有很高的聲譽。新日本無線的產品已橫跨家電、多媒體AV設備、電話通訊設備、電子樂器、游戲機、汽車電子等產業。致力于在日本及全球建立完善的銷售體系,銷售網絡已遍布全世界,并已在上海、新加坡、泰國、美國設立分公司,產品出口至以亞洲為主的全球100多個國家和地區,成為全球性跨國集團。
新日本無線將保護環境、尊重生命為己任,在預防危害污染和環境保護方面做出了相當大的努力,并做出了保護地球、安全至上的承諾。作為企業活動還自主的做出環境方針,建立全員節約能源、污染預防及降低風險的持續改善工作,以達到企業永續經營發展目標。在1994和1997年分別取得了全球市場公認的ISO9001(品質保證ISO)和 ISO14001(環保ISO)。新日本無線的所有技術和產品就是在這種強烈的企業精神中創造出來的。
多年來,NJR晶振公司為各個領域的制造業發展做出了貢獻,同時也提高了用戶滿意度,同時,大量生產優質的產品,比如有源晶振,高性能晶振,TCXO振蕩器等。NJR晶振,SCO5晶振,SCO56B-26.0000MTS-EXT晶振.
多年來,NJR晶振公司為各個領域的制造業發展做出了貢獻,同時也提高了用戶滿意度,同時,大量生產優質的產品,比如有源晶振,高性能晶振,TCXO振蕩器等。NJR晶振,SCO5晶振,SCO56B-26.0000MTS-EXT晶振.

| Parameter | Symbol | Parameter values ? limits | Conditions ? remarks |
| Nominal frequency | F N | 1.0 ~ 160MHz | Fundamental or 3rd overtone design |
| Supply voltage range | V DD | 1.8V 2.5V 3.3V 5.0V | More available, please contact us |
| Supply current consumption | I DD | 3mA ~ 40mA | See note 1 |
| Overall frequency stability | f/F N | ±20ppm, ±25ppm, ±50ppm | See note 2, others available |
| Operating temperature range | T OP | –10°C ~ +70°C up to –40°C ~+125°C | Other options available |
| Aging first year | (Δf/F N )y1 | ±3ppm | @+25°C |
| Output waveform ? load | — ? C L | HCMOS ? 15pF or 30pF | Most common, others on request |
| Output voltage levels | V OH ? V OL | ≥90%V DD ≤10%V DD | — |
| Rise and fall times | t R and t F | ≤8ns below 16MHz ≤4ns 40~100MHz | @10%~90%~10%V DD , V DD =3.3V |
| ≤5ns 16~40MHz ≤2ns above 100MHz | |||
| Output symmetry (duty cycle) | DC | 40/60% or 45/55% | @50%V DD |
|
Standby function (enable/disable on pin 1) |
E/D |
Pin1 = High or open -> Output pin3 active Pin1 = Low -> Output pin3 high impedance |
· Output high impedance = TRI-STATE Pin1 can be left open = floating |
| Standby current consumption | I STB | 10µA | Typical |
.jpg)

存儲事項(1) 在更高或更低溫度或高濕度環境下長時間保存晶體產品時,會影響頻率穩定性或焊接性。請在正常溫度和濕度環境下保存這些晶體產品,并在開封后盡可能進行安裝,以免長期儲藏。
正常溫度和濕度:
溫度:+15°C 至 +35°C,濕度 25 % RH 至 85 % RH(請參閱“測試點JIS C 60068-1 / IEC 60068-1的標準條件”章節內容)。
(2) 請仔細處理內外盒與卷帶。外部壓力會導致卷帶受到損壞。
安裝時注意事項
耐焊性
加熱包裝材料至+150°C以上會破壞產品特性或損害產品。如需在+150°C以上焊接晶體產品,建議使用SMD產品。在下列回流條件下,對晶體產品甚至SMD產品使用更高溫度,會破壞產品特性。建議使用下列配置情況的回流條件。安裝這些產品之前,應檢查焊接溫度和時間。同時,在安裝條件更改的情況下,請再次進行檢查。如果需要焊接的石英晶體產品在下列配置條件下進行焊接,請聯系我們以獲取耐熱的相關信息。
(1)柱面式產品和DIP產品
型號 焊接條件
[ 柱面式 音叉晶振]
C-類型,C-2-類型,C-4-類型 +280°C或低于@最大值5 s
請勿加熱封裝材料超過+150°C
[ 柱面式 ]
CA-301
[ DIP ]
SG-51 / 531, SG-8002DB DC,
RTC-72421 / 7301DG +260°C或低于@最大值 10 s
請勿加熱封裝材料超過+150°C
(2)SMD晶振產品回流焊接條件(實例)
用于JEDEC J-STD-020D.01回流條件的耐熱可用性需個別判斷。請聯系我們以便獲取相關信息。NJR晶振,SCO5晶振,SCO56B-26.0000MTS-EXT晶振.

.

深圳市帝國科技有限公司
SHENZHEN DIGUO TECHONLOGY CO.,LTD
手 機:86-13826527865
電 話:86-0755-27881119 QQ:921977998
E-mail:dgkjly@163.com
網 址:m.thefootshop.cn
地 址:中國廣東省深圳市寶安區西鄉大道新湖路










業務經理